Questões COMPERVE para Concursos 2025
Questoes COMPERVE - 99 ª Página
» Veja Provas Completas COMPERVE

Q26216
resolva Q26216 | Comente a Questão (coloque o Nº "Q26216") | » Apostila de Radiologia 2025

Q30155
resolva Q30155 | Comente a Questão (coloque o Nº "Q30155") | » Apostila de Radiologia 2025

Q30156
resolva Q30156 | Comente a Questão (coloque o Nº "Q30156") | » Apostila de Radiologia 2025

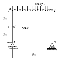
Q51983
Engenharia Civil » Estruturas, Desenho Técnico, Isostática

Com base nesse diagrama, é correto afirmar:
resolva Q51983 | Comente a Questão (coloque o Nº "Q51983") | » Apostila de Engenharia Civil 2025

Q51984
Engenharia Civil » Estruturas, Isostática

Nesse esquema, em relação à barra BC, tracionando a parte interna do pórtico,
resolva Q51984 | Comente a Questão (coloque o Nº "Q51984") | » Apostila de Engenharia Civil 2025
Apostilas de Matérias Isoladas e Técnicas
Para Todos os Concursos
Apostila Preparatória
![]() |
Concursos 2025 CONHECIMENTOS PEDAGÓGICOS E LEGISLAÇÃO PARA CONCURSOS PÚBLICOS |
Apostila Preparatória
![]() |
Concursos 2025 TÉCNICO EM EDIFICAÇÕES PARA CONCURSOS PÚBLICOS |
Apostila Preparatória
![]() |
Concursos 2025 TÉCNICO EM CONTABILIDADE PARA CONCURSOS PÚBLICOS |
Apostila Preparatória
![]() |
Concursos 2025 AGENTE DE TRÂNSITO E MOTORISTA PARA CONCURSOS PÚBLICOS |
Apostila Preparatória
![]() |
Concursos 2025 EDUCAÇÃO FÍSICA PARA CONCURSOS PÚBLICOS |
Apostila Preparatória
![]() |
Concursos 2025 PSICÓLOGO PARA CONCURSOS PÚBLICOS |
Apostila Preparatória
![]() |
Concursos 2025 COZINHEIRA, COPEIRA E MERENDEIRA PARA CONCURSOS PÚBLICOS |
Compartilhe Questões
Deixe seu comentário com o número da Questão ex.Q12345:
*Para ver o gabarito - clique em → resolva Q...:
As questões são de autoria das organizadoras mencionadas, divergências quanto ao conteúdo, ao gabarito, a formulação etc., devem ser encaminhas a elas (organizadoras de concursos)
Últimas:
-
02 de Outubro de 2025
- »Novidades no Sps Concursos 14 de Abril de 2025
- »Secretaria de Estado da Saúde do Rio Grande do Norte (SESAP) encerra inscrições para 565 vagas 14 de Abril de 2025
- »Conselho Regional de Medicina do Mato Grosso do Sul (CRM-MS) encerra inscrições para 235 vagas 10 de Abril de 2025
- »Prefeitura de Marechal Floriano (ES) encerra inscrições para 277 vagas 10 de Abril de 2025
- »Instituto Federal do Mato Grosso do Sul (IFMS) encerra inscrições para 78 vagas 09 de Abril de 2025
- »Prefeitura de Coelho Neto (MA) encerra inscrições para 30 vagas 09 de Abril de 2025
- »Agência Reguladora S S B dos Rios Piracicaba( SP) encerra inscrições para 10 vagas 07 de Abril de 2025
- »Prefeitura de Serra Negra (SP) encerra inscrições para 109 vagas
Mais Lido/Acessado: 2025
- » Veja os Maiores salários em Concurso
- » Veja Todas as Provas OAB
- » Questões INSS
- » Veja Provas EsPCEx
- » Provas PM-SP
- » Veja Questões de Soldado PM-SP
- » Veja as Provas SEC BA
- » Veja Provas PC-SP
- » Provas Vunesp da Prefeitura de São Bernardo do Campo (SP)
- » Questões Colégio Naval
- » Provas do Banco do Brasil
- » Questões Soldado PM-PE
- » Provas Vunesp Escrevente Técnico Judiciário TJSP
- » Provas Vunesp Prefeitura de Itapevi (SP)
- » Provas SES-DF
Questões VUNESP: 2025
- Vunesp de Português 2025
- Quarentena de Estudos Vunesp sobre CRASE 2025
- Vunesp de Linguagem Não Verbal 2025
- Questões de Interpretação de Textos Vunesp 2025
- Vunesp de Radiologia 2025
- Vunesp de Matemática 2025
- Questões Vunesp de Regra de Três2025
- Vunesp de Raciocínio Lógico 2025
- Vunesp de Informática 2025
- Vunesp de Informática: Planilha Microsoft Excel 2025
- Vunesp de Atualidades 2025
- Vunesp de Direito Administrativo 2025
- Vunesp de Direito Constitucional 2025
- Vunesp de Direito Penal 2025
- Vunesp de Direito Processual Penal 2025
- Vunesp de Direito Civil2025
Questões FCC: 2025
- FCC de Português 2025
- FCC de Crase 2025
- FCC de Matemática 2025
- FCC de Raciocínio Lógico 2025
- FCC de Informática 2025
- FCC de Atualidades 2025
- FCC de Direito Administrativo 2025
- FCC de Direito Constitucional 2025
- FCC de Direito Penal 2025
- FCC de Direito Processual Penal 2025
- FCC de Direito Cvil 2025
Enfermagem por Assunto: 2025
- Enfermagem (todos os assuntos) 2025
- Anatomia 2025
- Fisiologia 2025
- Administração de Medicamentos 2025
- Imunização 2025
- Biossegurança 2025
- Legislação de Enfermagem 2025
- Legislação em Saúde 2025
- Saúde da Mulher 2025
- Doenças Infecciosas e Parasitárias 2025
- Urgência e Emergência 2025
- Doenças Crônicas 2025
- Fundamentos e Procedimentos de Enfermagem
Raciocínio Lógico por Assunto:2025
- Raciocínio Lógico (todos os assuntos) 2025
- Fundamentos de Lógica 2025
- Equivalência Lógica 2025
- Lógica de Argumentação2025
- Implicação Lógica 2025
- Verdades e Mentiras 2025
- Diagrama de Venn (Conjuntos) 2025
- Quantificadores 2025
- Analise Combinatória 2025
- Probabilidade 2025
- Sequências Lógicas de Números,Letras, Palavras e Figuras 2025
- Raciocínio Matemático 2025
Apostilas Específicas